Projet 7 : Veilleuse intelligente
Mes seconds pas en Électronique
Voir Projet 1 pour les composantes nécessaires pour Mes seconds pas en Électronique.
Avez-vous déjà entendu parler de capteur ?
Un capteur est un dispositif qui détecte les variations de lumière, de mouvement, de chaleur, d’humidité ou d’une autre grandeur physique, et qui réagit en modifiant la tension, la capacité ou une autre grandeur électrique.
Puisque les capteurs convertissent les grandeurs physiques en grandeurs
électriques, vous pouvez les utiliser pour contrôler le fonctionnement d’un
circuit en fonction de son environnement.
Dans ce
projet, vous utiliserez un type de capteur appelé photorésistance pour détecter
les variations de lumière.
Votre circuit, composé de seulement sept composants et d’une pile, utilise la photorésistance pour allumer ou éteindre une LED.
Ainsi, votre circuit fonctionne comme une veilleuse intelligente : la LED s’allume uniquement lorsqu’il fait sombre dans la pièce.
Comprendre votre
photorésistance
Une photorésistance, aussi appelée résistance
photosensible (LDR) ou cellule photoélectrique, est constituée d'un matériau
semi-conducteur présentant une caractéristique intéressante :
elle se comporte comme une
résistance, à ceci près que sa valeur dépend de la quantité de lumière qui la
traverse.
Vous pouvez observer différents types de photorésistances sur
la figure 7-1 (à gauche) et un gros plan de l'une d'entre elles sur la
figure 7-1 (à droite).

Notez que ces petits composants ne comportent aucune marque d'identification, comme un numéro de modèle, ce qui rend leur manipulation un peu délicate… euh… disons, très amusante !
Déterminer la résistance exacte d'une photorésistance est un exercice périlleux.
En effet, on ne connaît jamais précisément l'intensité lumineuse, à moins de posséder un appareil appelé luxmètre, qui mesure l'énergie lumineuse.
Pensez à l'ajouter à votre liste de cadeaux ou empruntez-en un à un ami photographe !
En général, une photorésistance
fonctionne ainsi :
En pleine lumière, sa résistance est relativement
faible (généralement inférieure à 500 Ω).
Dans l'obscurité, sa résistance
est relativement élevée (généralement supérieure à 20 MΩ).
J'ai plusieurs LDR voici les valeurs que j'ai mesuré avec mon multimètre
| 500 Ω à 300 k Ω | 500 Ω à 700 k Ω | 500 Ω à 2 MΩ | 1.5 KΩ à 2 MΩ | 1 KΩ à 12 MΩ | 1 KΩ à 20 MΩ | 3 KΩ à 20 MΩ |
Si votre photorésistance ne se comporte pas comme la mienne, pas de panique !
Ce projet vous apprendra à
ajuster votre circuit, si nécessaire, pour qu'il fonctionne comme vous le
souhaitez, même face aux difficultés, aux incertitudes et aux photorésistances
parfois capricieuses.
(Ce sera amusant, promis !)
Découvrez un
transistor PNP
Un autre composant (nouveau pour vous) que vous
utiliserez dans ce projet est un transistor PNP.
Observez les deux transistors PNP 2N3906 illustrés sur la figure 7-2.

Ressemblent-ils au transistor NPN 2N3904 utilisé dans le projet 6 ? Oui. (En fait la plupart des transistor se ressemble)
Ces transistors sont-ils identiques à celui utilisé dans le projet 6 ? Non.
Est-ce grave si vous confondez les transistors 2N3904 et 2N3906 ? Absolument !
Dans ce projet, vous utiliserez
un transistor NPN 2N3904 et un transistor PNP 2N3906. Il est donc essentiel de
bien les identifier.
L'avantage de ces transistors (surtout comparés aux
photorésistances, souvent problématiques) est que leur référence est gravée sur
leur boîtier, ce qui permet de les distinguer d'un coup d'œil.
Comme le
transistor 2N3904, le transistor 2N3906 possède trois broches.
Ces broches sont connectées à la base, au collecteur et à l'émetteur à l'intérieur du boîtier, comme illustré sur la figure 7-3 et indiqué sur le brochage figurant sur l'emballage ou la fiche technique (Datasheet et pinout disponible en ligne).
Le brochage du transistor 2N3906 est identique à celui du transistor 2N3904.


Selon la provenance de vos
transistors, le brochage peut différer de celui indiqué sur la figure 7-3.
Consultez l'emballage ou la documentation fournie avec vos transistors pour
identifier chaque broche.
Lors du montage du circuit de ce projet sur le
Breadboard, veillez à utiliser le transistor approprié (2N3904 ou 2N3906) comme
indiqué et à orienter correctement ses broches. (Je sais que je me répète, mais
ces points sont vraiment importants.)
Composants et outils nécessaires
Rassemblez tous les éléments de cette liste (voir figure 7-4) :

Breadboard (Plaque d'essai sans soudure), préparée avec :
• Une pile 9 V
avec un clip pour pile
• Un interrupteur et un fil de connexion
• Connexions du fil de connexion pour l'alimentation
Une photorésistance
Un transistor bipolaire NPN 2N3904
Un transistor bipolaire PNP 2N3906
Une résistance de 330 Ω (4 bandes (orange-orange-marron) ou 5 bandes (orange, orange, noir, noir) Multimètre de 313 à 346
Une résistance de 10 kΩ 4 bandes (marron-noir-orange) ou 5 bandes (brun, noir, noir, rouge) Multimètre de 9,5 à 10,5
Une résistance de 1 MΩ 4 bandes (marron-noir-vert) ou 5 bandes (brun, noir, noir, jaune) Multimètre de 0,95 à 1,05
Une LED blanche transparente de 5 mm
Deux connecteurs 5/16 pouce (minimum) fils de connexion
Des résistances supplémentaires
peuvent être nécessaires pour ajuster le circuit :
• Une résistance de
100 kΩ
4 bandes (marron-noir-jaune)
ou 5 bandes (brun, noir, noir, orange)
Multimètre de 95 à 105
• Une résistance de 470 kΩ
4 bandes (jaune-violet-jaune)
ou 5 bandes (jaune, violet, noir, orange)
Multimètre de 446 à 493
• Une résistance de 4,7 MΩ
4 bandes
(jaune-violet-vert)
ou 5 bandes (jaune, violet, noir, jaune)
Multimètre de 4,47 à 4,94
Le circuit de ce projet ne comporte que sept composants (sans compter les trois résistances d'ajustement).
Il est donc assez facile d'éviter que les fils ne se touchent et il n'est pas absolument nécessaire de les couper.
Gardez toutefois une pince coupante à portée de main si vous souhaitez un circuit plus propre.
Une pince à bec fin peut
également vous être utile pour insérer et retirer les composants.
Construisez le circuit de la veilleuse intelligente

Dans ce projet, vous utilisez votre photorésistance pour mesurer la luminosité ambiante et contrôler l'état des deux transistors.
Lorsqu'ils sont conducteurs, les transistors laissent passer le courant dans une LED.
Ils amplifient également ce courant afin qu'il soit suffisamment puissant pour alimenter la LED.
Suivez ces étapes pour construire le circuit de votre veilleuse :
Dans ce projet, vous utilisez votre photorésistance pour mesurer la luminosité ambiante et contrôler l'état des deux transistors.
Lorsqu'ils sont conducteurs, les transistors laissent passer le courant dans une LED.
Ils amplifient également ce courant afin qu'il soit suffisamment puissant pour alimenter la LED.
Suivez ces étapes pour
construire votre circuit de veilleuse :
1. Vérifiez votre plaque
d'essai sans soudure (voir figure 7-5).

a. Assurez-vous que les deux rails d'alimentation positifs et les deux rails
d'alimentation négatifs sont connectés.
b. Vérifiez que l'interrupteur et
les connexions des fils de connexion sont correctement installés et que
l'interrupteur est en position arrêt.
c. Vérifiez que les fils du clip de
la pile sont bien insérés dans les trous de contact correspondants de votre
plaque d'essai.
2. Insérez la résistance de 1 MΩ dans la plaque d'essai, comme indiqué sur la figure 7-6.

Pour un circuit plus propre, pliez et coupez les pattes de la résistance de
façon à ce qu'elles mesurent environ 1 cm (3/8 pouce) sous le pli.
Branchez une patte dans le trou
19a et l'autre sur le rail d'alimentation positif à gauche de la rangée
19.
3. Insérez un fil de connexion de 8 mm (5/16 pouce) minimum dans
le Breadboard.
Branchez une extrémité du fil dans le trou 21a et l'autre sur le rail d'alimentation négatif à gauche de la rangée 21.
Voir le fil de connexion orange sur la figure 7-7.

4. Insérez le transistor
NPN 2N3904 dans la plaque d'essai.
a. Vérifiez que vous avez bien sélectionné un transistor 2N3904.
Si vous mélangez les transistors, votre circuit ne fonctionnera pas.
b. À l'aide d'une pince à bec fin, pliez délicatement les broches du transistor vers l'extérieur et vers le bas, comme illustré sur la figure 7-8.

c. Tenez le transistor de manière à ce que ses broches soient orientées vers
le bas et que la partie plate de son boîtier soit orientée vers la droite. (Voir
figure 7-9.)

d. À l'aide de vos doigts ou d'une pince à bec fin, positionnez délicatement la broche du collecteur (en haut) dans l'orifice du trou 17d, la broche de base (au milieu) dans l'orifice du trou 19c et la broche de l'émetteur (en bas) dans l'orifice du trou 21d.
Notez que si votre transistor
utilise un brochage différent, vous devrez peut-être l'orienter différemment
pour aligner correctement les broches avec les trous.
e. Ensuite, en
tenant le transistor par son boîtier, appuyez doucement dessus en le faisant
basculer d'avant en arrière jusqu'à ce que chaque broche soit bien enclenchée,
sans forcer. (Voir figure 7-10.)

5. Insérez la photorésistance dans la plaque d'essai, comme indiqué sur
la figure 7-11.

Branchez une des pattes (n'importe laquelle) dans le trou 19b et
l'autre patte dans n'importe quel trou de la borne négative d'alimentation, sur
le côté gauche de la plaque. (J'ai utilisé le trou à gauche de la rangée 25.)
6. Insérez la résistance de 10 kΩ (marron-noir-orange) dans la plaque d'essai, comme indiqué sur la figure 7-12.

Si vous le souhaitez, pliez et
coupez les pattes de la résistance. Insérez ensuite une patte dans le trou
17e et l'autre dans le trou 17g.
7. Insérez le transistor
PNP 2N3906 dans la plaque d'essai.
a. Vérifiez que vous avez bien sélectionné un transistor 2N3906.
b. À l'aide d'une pince à bec fin, pliez délicatement les broches du
transistor vers l'extérieur et vers le bas (voir figure 7-8).
c. Tenez le
transistor de manière à ce que ses broches soient orientées vers le bas et que
la partie plate du boîtier soit orientée vers la gauche (voir figure 7-13).

d. Insérez la broche de l'émetteur (en haut) dans le trou 15h, la
broche de la base (au milieu) dans le trou 17j et la broche du collecteur
(en bas) dans le trou 19h. (Voir figure 7-14.)

Notez que si votre transistor utilise une configuration de broches différente de la mienne, vous devrez peut-être orienter le transistor différemment pour que les bonnes broches soient positionnées au-dessus des bons trous.
8. Insérez un fil de connexion de 5/16 de pouce (minimum) dans le Breadboard.
Branchez une extrémité du fil de connexion dans le trou 15j et l'autre extrémité dans le rail d'alimentation positif situé à droite de la rangée 15. (Voir le fil de connexion orange sur la figure 7-15.)

9. Insérez la LED dans la plaque d'essai.
Si vous le
souhaitez, coupez les pattes de la LED pour qu'elles mesurent au moins 1,25 cm
(1/2 pouce) de long.
(Voir figure 7-16.)

Branchez la cathode (côté négatif, bord plat, la plus grande partie
métallique à l'intérieur du boîtier) dans le trou 21f et l'anode (côté
positif) dans le trou 19f. (Voir figure 7-17.)

10. Insérez la résistance de 330 Ω dans la plaque d'essai, comme indiqué sur la figure 7-18.

Vous pouvez plier et couper les pattes de la résistance si nécessaire.
Branchez ensuite une patte dans
le trou 21j et l'autre sur le rail d'alimentation négatif situé à droite
de la rangée 21.
La figure 7-19 montre le circuit terminé (à l'exception
de la pile, de l'interrupteur et des connexions du rail d'alimentation au bas de
la plaque d'essai).

Vérifiez attentivement toutes vos connexions et l'orientation de votre LED.
Assurez-vous que le transistor NPN 2N3904 est à gauche et le transistor PNP 2N3906 à droite de votre plaque d'essai.
Une fois votre circuit
correctement monté, il est temps de le tester !
Testez votre circuit
de veilleuse
Le meilleur endroit pour tester votre circuit est une pièce équipée de stores, de rideaux ou d'autres rideaux.
Mais ne vous inquiétez pas si vous ne pouvez pas obscurcir la pièce : vous pouvez tout de même tester votre circuit.
Lumières allumées (ou lumière naturelle entrant dans la pièce), mettez l'appareil sous tension.
La LED s'est-elle allumée ?
Normalement, non. Si c'est le
cas, vous pouvez ajuster le circuit, comme décrit dans la section suivante
Réglages.
Si la LED ne s'allume pas, c'est parfait !
Éteignez
maintenant les lumières (ou bloquez la lumière du soleil).
La LED s'est-elle allumée ?
Normalement, oui ! (Voir figure 7-20.)

Si la LED ne s’allume pas lorsque les lumières sont éteintes, couvrez le dessus ou le dessus et les côtés de la photorésistance avec vos doigts, comme illustré sur la figure 7-21, afin de limiter au maximum le passage de la lumière.

Si la LED ne s’allume toujours pas, vous devrez peut-être ajuster votre circuit, comme décrit dans la section suivante.
Réglages
Si le
circuit de votre veilleuse ne fonctionne pas (la LED ne s'allume pas lorsqu'il
fait relativement sombre dans la pièce, ou elle s'allume lorsque la lumière
ambiante est forte ou assez forte), vous pouvez effectuer un réglage.
Ce type de réglage est courant
car le niveau de luminosité d'une pièce peut varier et chaque photorésistance a
une sensibilité légèrement différente.
Avant toute modification, coupez
l'alimentation.
Procédez ensuite au réglage en
fonction du problème rencontré :
La LED s'allume même lorsqu'il y a
encore beaucoup de lumière dans la pièce.
Vous devez rendre votre circuit
plus sensible à la luminosité ambiante.
Remplacez la résistance de 1 MΩ (rangée 19 à gauche du circuit imprimé) par une résistance de valeur plus élevée, comme celle de 4,7 MΩ ndiquée sur la liste des composants.
Cette action augmente la sensibilité du circuit à la lumière ; la LED devra donc être plus sombre pour s'allumer.
Une fois la résistance de 1 MΩ remplacée, mettez l'interrupteur d'alimentation sous tension et testez à nouveau le circuit.
Votre LED ne s'allume pas
lorsque la pièce est relativement sombre, mais elle s'allume lorsque vous
couvrez la photorésistance avec vos doigts.
Essayez de remplacer la
résistance de 1 MΩ (rangée 19) par une résistance plus faible, par exemple de
470 kΩ (jaune-violet-jaune) ou de 100 kΩ (marron-noir-jaune). Cela diminue la
sensibilité du circuit à la lumière, ce qui permet à la LED de s'allumer même
dans une pièce moins sombre. Après avoir remplacé la résistance de 1 MΩ, mettez
l'appareil sous tension et testez à nouveau le circuit.
Votre LED ne
s'allume toujours pas, même lorsque vous couvrez la photorésistance.
Il
est temps de diagnostiquer votre circuit pour trouver la panne. Voici les points
à vérifier :
• Votre interrupteur est-il allumé ?
Ne riez pas ; j’ai oublié
d’allumer l’interrupteur pendant que je testais mon circuit pour ce projet, et
je me suis gratté la tête pendant quelques minutes avant de comprendre ce qui
n’allait pas !
• Votre LED est-elle correctement orientée (comme indiqué
à l’étape 9 de ce projet) ?
• Le transistor situé à gauche de la carte
est-il un transistor NPN 2N3904 ?
La face plate de son boîtier
est-elle orientée vers la droite (en supposant que votre transistor utilise un
brochage standard) ?
Les broches du collecteur, de la base et de
l’émetteur sont-elles bien insérées dans les trous correspondants de la plaque
d’essai (comme indiqué à l’étape 4) ?
• Le transistor situé à droite de
la carte est-il un transistor PNP 2N3906 ?
La face plate de son boîtier
est-elle orientée vers la gauche (en supposant que votre transistor utilise un
brochage standard) ?
Les broches du collecteur, de la base et de
l’émetteur sont-elles bien insérées dans les trous correspondants de la plaque
d’essai (comme indiqué à l’étape 7) ?
• Tous les composants et les fils de connexion sont-ils insérés fermement, mais pas excessivement, dans les trous appropriés du Breadboard ?
Si votre circuit ne fonctionne toujours pas après avoir suivi toutes les étapes de la liste précédente, essayez une pile 9 volts neuve.
Si le problème persiste, essayez de remplacer la photorésistance, si vous en avez une autre.
Dans ce cas, vous devrez
peut-être tester différentes valeurs de résistance à la place de la résistance
de 1 MΩ pour ajuster la sensibilité du circuit à la lumière.
Si la
lumière ne s'allume toujours pas, essayez de remplacer un ou les deux
transistors.
Les transistors sont des composants sensibles qui s'endommagent facilement et ne dégagent ni fumée ni autres signes de dysfonctionnement ; il est donc difficile de déterminer s'ils sont en bon état.
Si vous constatez qu'un
transistor est défectueux, jetez-le immédiatement pour éviter de l'utiliser par
inadvertance dans un autre circuit.
Exploration du schéma
Si vous souhaitez comprendre le fonctionnement de votre circuit de veilleuse
intelligente, consultez cette section.
Toutefois, l'exploration du schéma et la lecture des explications ne sont pas obligatoires.
La figure 7-22 présente le schéma du circuit de la veilleuse intelligente.

Le symbole du circuit de la photorésistance est indiqué.
Notez que le symbole du transistor PNP (modèle 2N3906 dans ce circuit) diffère légèrement de celui du transistor NPN (modèle 2N3904 dans ce circuit).
Le sens de la flèche dans chaque symbole de transistor indique le sens du courant lorsque le transistor est passant.
Dans un transistor NPN, le courant circule du collecteur vers l'émetteur.
Dans un transistor PNP, le
courant circule de l'émetteur vers le collecteur.
Ce circuit est
composé de trois parties, ou étages.
Étage 1
Le premier
étage (entouré sur la figure 7-23) est un diviseur de tension.

Lorsque deux résistances sont
placées aux bornes d'une source de tension, la tension de cette source est
répartie proportionnellement entre les deux résistances.
Ainsi, par
exemple, si l'une des deux résistances a une valeur deux fois supérieure à celle
de l'autre et que la tension totale de la batterie est de 9 volts, la tension
aux bornes de la résistance la plus élevée est de 6 volts et celle aux bornes de
la plus faible est de 3 volts.
Dans le circuit de votre veilleuse, la photorésistance possède une résistance variable :
celle-ci change en fonction des
conditions d’éclairage.
Il est difficile de déterminer la valeur exacte
de cette résistance, car il est difficile de connaître précisément la quantité
de lumière qui l’atteint.
Cependant, lorsque la pièce est bien éclairée, la résistance est relativement faible (inférieure à 10 kΩ), et lorsqu’elle est plutôt sombre, elle est relativement élevée (supérieure à 1 MΩ).
Ces estimations de résistance vous permettent de déterminer l’influence de la photorésistance sur le fonctionnement du circuit.
Lorsque la pièce est très éclairée, la tension aux bornes de la photorésistance est très faible car sa résistance est bien inférieure à celle de la résistance de 1 MΩ.
La majeure partie de la tension de la batterie est donc appliquée aux bornes de cette dernière.
La tension aux bornes de la
photorésistance est probablement inférieure à 1/100 de la tension de la batterie
(9 volts), soit moins de 0,09 volt.
Il est important de noter que la
valeur réelle de la tension aux bornes de la photorésistance dépend de
l'intensité lumineuse qui la frappe, une mesure impossible sans luxmètre.
C'est pourquoi il peut être nécessaire d'essayer différentes résistances à la place de la résistance de 1 MΩ.
En modifiant cette dernière, vous modifiez le diviseur de tension, et donc la proportion de la tension de la batterie distribuée à la photorésistance.
Lorsque la pièce est très sombre, la tension aux bornes de la photorésistance représente une part importante de la tension de la batterie, car sa résistance est similaire, voire supérieure, à celle de la résistance de 1 MΩ.
Cette tension est probablement
au moins égale à la moitié de la tension de la batterie, soit environ 4,5 volts.
Là encore, la valeur exacte dépend de l'éclairage ambiant.
Dans une pièce faiblement éclairée, la résistance de la photorésistance peut augmenter suffisamment pour générer une tension de 1 volt ou plus à ses bornes, ce qui risque d'allumer la LED de manière inopportune.
Vous découvrirez pourquoi en
lisant la suite de cette section.
Voici l'élément clé de la première
étape :
la tension aux bornes de la photorésistance correspond également à la tension appliquée à la base du transistor NPN 2N3904.
Mais cela sera abordé dans la deuxième étape.
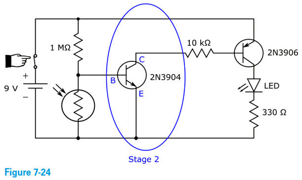
Étape 2
Le
deuxième étage (encerclé sur la figure 7-24) est simplement un transistor NPN
qui agit à la fois comme un commutateur et un amplificateur de courant.

La tension à la base du transistor NPN 2N3904 détermine son état (passant ou bloqué).
Dans le
projet 6, vous avez constaté que si la tension de
base d'un transistor NPN dépasse un certain seuil (environ 0,7 V), le transistor
est passant ; sinon, il est bloqué.
Dans votre circuit de veilleuse
intelligente, la tension à la base du transistor NPN 2N3904 est identique à la
tension aux bornes de la photorésistance de l'étage 1.
Ainsi, lorsque la pièce est bien éclairée, la tension aux bornes de la photorésistance (et donc la tension de base) est faible, et le transistor est bloqué.
Lorsque la pièce est sombre, la
tension aux bornes de la photorésistance (et donc la tension de base) est
suffisamment élevée pour activer le transistor.
Lorsque le transistor NPN
2N3904 est bloqué, aucun courant ne circule entre son collecteur et son
émetteur.
Lorsqu'il est passant, un courant circule entre son collecteur et son émetteur.
Le courant de collecteur est une version amplifiée du courant de base, grâce à l'amplification apportée par le transistor.
Cependant, le courant de base reste très faible en raison des résistances élevées du premier étage du circuit (à savoir la résistance de 1 MΩ et la résistance supérieure à 1 MΩ de la photorésistance dans l'obscurité).
Le courant amplifié circulant du collecteur à l'émetteur est supérieur au courant de base, mais il demeure insuffisant pour alimenter une LED de manière optimale.
Il vous faut un autre
transistor pour amplifier suffisamment le courant du transistor 2N3904 et
permettre un éclairage optimal de la LED, ce qui nous amène à la troisième
étape.
Étape 3
La troisième étape (entourée sur la figure 7-25) du circuit comprend un deuxième transistor, une résistance de limitation de courant de 10 kΩ à la base du transistor, une LED et une résistance de protection de 330 Ω pour la LED.

Le courant sortant de l'étage 2 (c'est-à-dire le courant de collecteur du transistor NPN 2N3904) traverse la résistance de 10 kΩ et alimente la base du transistor PNP 2N3906 de l'étage 3.
Cette résistance de 10 kΩ
empêche le courant de base de devenir trop important et d'endommager le
transistor 2N3906.
Le rôle du transistor 2N3906 est d'amplifier le faible
courant provenant de l'étage 2 afin d'obtenir une intensité suffisante pour
allumer la LED.
Pour ce faire, le transistor
2N3906 doit être conducteur.
La commande de commutation d'un transistor
PNP (comme le 2N3906) diffère de celle d'un transistor NPN (comme le 2N3904).
La tension à la base d'un transistor PNP doit être inférieure à une certaine tension (0,7 V) pour activer le transistor (alors que la tension à la base d'un transistor NPN doit être supérieure à une certaine tension pour activer le transistor).
Lorsque le transistor NPN 2N3904 de l'étage 2 est bloqué, la tension à la base du transistor PNP 2N3906 est relativement élevée (croyez-moi !) et ce dernier est bloqué.
Lorsque le transistor NPN
2N3904 de l'étage 2 est conducteur, la tension à la base du transistor PNP
2N3906 diminue suffisamment pour l'activer.
Lorsque le transistor PNP
2N3906 est conducteur, il amplifie le courant qui le traverse.
Le courant circulant entre
l'émetteur et le collecteur du transistor 2N3906 est donc suffisamment important
pour alimenter la LED.
La résistance de 330 Ω de l'étage 3 sert à
protéger la LED.
Elle limite le courant, mais celui-ci reste suffisant pour alimenter la LED.
Synthèse
Pour une
vue d'ensemble, comparez les schémas du circuit fonctionnant dans une pièce
éclairée et dans une pièce sombre.
La figure 7-26 montre que lorsque la
pièce est éclairée, la résistance de la photorésistance est faible, la tension à
la base du premier transistor est donc trop basse pour l'activer.

Aucun des deux transistors n'est activé, et aucun courant ne circule dans la majeure partie du circuit, y compris dans la LED. La LED est éteinte.
Pour faire simple
La tension à la base d'un transistor NPN doit être positive et celle d'un transistor PNP doit être Négative.
Le courent électrique passe toujours par la section qui offre le moins de résistance.
Lorsque la photorésistance est exposé à la lumière elle a une faible résistance qui est inférieur à la résistance 1MΩ.
Par conséquent le courant passe par la photorésistance et donc le courent à la basse du NPN est négative et le NPN est bloqué.
Cependant Lorsque la photorésistance est dans le noir elle a une grande résistance, qui est supérieure à la résistance 1MΩ.
Par conséquent le courant passe par la résistance de 1MΩ et donc le courent à la basse du NPN est positif et le NPN est conducteur.
La figure 7-27 montre que, dans l'obscurité, la résistance de la photorésistance est élevée, ce qui augmente la tension à la base du premier transistor et l'active.
Le premier transistor, une fois activé, active le second.

Le courant circule alors dans les deux transistors et est amplifié à chaque activation.
Le courant traversant la LED est ainsi suffisamment important pour l'éclairer intensément.
Félicitations pour la construction d'un circuit à trois étages et l'utilisation de votre premier capteur pour contrôler votre circuit !
Pour allez un peu plus loin
Découvrez le potentiomètre (voir
Résistances aussi section Résistance Variable
(Potentiomètre))
Vous avez découvert la résistance standard, un composant dont la résistance est
fixe.
Le potentiomètre est également une résistance, mais sa résistance est variable et il est souvent utilisé pour contrôler des éléments tels que le volume d'un haut-parleur.
Vous connaissez le bouton de volume de la radio ?
C'est souvent un potentiomètre.
Un potentiomètre possède généralement trois broches et un axe que vous pouvez faire tourner pour modifier la résistance.


Le symbole du potentiomètre représente son fonctionnement et les fonctions des trois broches.
La résistance entre les broches 1 et 3 est une résistance fixe d'une certaine valeur.
Cette valeur est égale à celle indiquée à l'achat du potentiomètre.
Par exemple, si vous possédez un potentiomètre de 10 kΩ, la résistance entre les broches 1 et 3 sera de 10 kΩ.
La broche 2 est appelée curseur.
Elle est connectée à la résistance située entre les broches 1 et 3.
Vous pouvez modifier la position du curseur en tournant l'axe du potentiomètre.
Si vous tournez l'axe de manière à rapprocher le curseur de la broche 1, la résistance entre la broche 1 et le curseur diminue, mais celle entre la broche 3 et le curseur augmente.
Contrôler une LED 12 V
Ajoutez un relais pour contrôler une LED 12 V d'éclairage intérieur pour camping-car et avoir plus de lumière.

Et ajouter un potentiomètre de 1 MΩ DIP au circuit.

Vous devez rendre votre circuit plus sensible à la luminosité ambiante.
Mettez un potentiomètre supérieur à 1 MΩ
ou ajoutez une résistance en série avec le potentiomètre de 1 MΩ.

Cette modification augmente la sensibilité du circuit à la lumière ; la LED devra donc s'allumer dans une pièce plus sombre. Une fois la résistance de 1 MΩ remplacée, mettez le circuit sous tension et testez-le à nouveau.
Un Relais 9V SPDT DIP 5 broches
Faites une recherche pour trouver la datasheet ou le pinout de votre relais.
Ici c'est le relais modèle SRD-09V-SL-C

Vous pouvez remplacer la pile 9V par:
Un adaptateur mural 9 V CC et un Un adaptateur jack cylindrique CC


L'adaptateur jack cylindrique doit comporter des repères + et – pour indiquer l'alimentation. Desserrez simplement les vis de l'adaptateur, insérez un fil dans chaque connecteur, puis resserrez les vis.

Suivez le code couleur habituel : utilisez un fil rouge pour le positif et un fil noir pour le négatif afin de vous assurer de les connecter correctement sur votre Breadboard.
Et avec une autre pairs mâles + femelles (5,5 mm x 2,1 mm)

faites la même chose avec la LED 12 V d'éclairage intérieur pour camping-car

Faits une alarme réveil de lever du jour

Un buzzers piézoélectriques actifs 9V
Un buzzer qui émet un bip.
Les buzzers existent en versions passive et active.
Les buzzers passifs nécessitent une entrée audiofréquence, tandis que les buzzers actifs ne nécessitent qu'une tension.
Pour ce projet, vous avez besoin d'un buzzer actif fonctionnant sous 9 V.
