Projet 8 : LED clignotante
Mes seconds pas en Électronique
Voir Projet 1 pour les composantes nécessaires pour Mes seconds pas en Électronique.
Croiriez-vous qu'avec seulement 11 composants, vous pouvez construire un circuit qui déclenche une alarme lorsqu'une lumière s'allume ?
Ou encore qu'il est possible de construire un clavier pour la gamme de do majeur
avec seulement 23 composants, dont 8 sont les touches ?
Vous construirez
ces circuits dans les projets 9 et 11,
respectivement, ainsi que plusieurs autres circuits d'apparence complexe dans
d'autres projets, et chacun d'eux ne vous prendra qu'une heure ou deux !
Le secret de la simplicité de ces circuits réside dans une innovation
remarquable : le circuit intégré (CI, IC).
Dans ce projet, l'un
des IC les plus populaires au monde, le timer 555, effectue la majeure partie du
travail dans un circuit à sept composants qui fait clignoter automatiquement une
LED.
Ensuite, vous utilisez un autre composant (nouveau pour vous), appelé potentiomètre, pour faire varier la fréquence de clignotement en tournant simplement un bouton.

Qu’est-ce qu’un circuit intégré ?
Tous les circuits des projets 2 à 7 utilisent des composants discrets, c’est-à-dire des dispositifs électroniques individuels tels que des résistances, des condensateurs, des LED et des transistors.
Vous connectez ces composants au fur et à mesure de la construction de votre circuit.
Un circuit intégré (IC) contient de quelques dizaines à plusieurs milliards
(oui, des milliards !) de composants, regroupés dans un seul dispositif qui
tient dans la paume de la main.
Les composants d’un IC ne sont pas
simplement assemblés au hasard dans le boîtier.
Ils sont connectés pour former un circuit miniature qui réalise une ou plusieurs fonctions, comme compter ou additionner deux nombres.
Parmi les IC les plus complexes figurent les microprocesseurs, qui effectuent la majeure partie du travail nécessaire au fonctionnement de votre ordinateur portable, tablette, Smartphone et autres appareils.
Les microprocesseurs, qui contiennent des millions (voire des billions) de minuscules transistors et autres composants, réalisent de nombreuses fonctions et sont souvent considérés comme le cerveau de l’informatique.
Découvrez quelques puces
La figure 8-1 présente différents
circuits intégrés, souvent appelés puces.

À l'intérieur de chaque boîtier en
plastique noir se cache un minuscule circuit.
Les broches qui dépassent du boîtier sont des fils conducteurs permettant de connecter les composants du circuit au monde extérieur.

Image au microscope d'une puce de circuit intégré utilisée pour contrôler des écrans LCD.
Les broches sont représentées par les cercles foncés entourant le circuit intégré.

Structure schématique d'une puce CMOS telle que fabriquée au début des années 2000.
Le schéma représente des transistors LDD-MISFET sur un substrat SOI avec cinq couches de métallisation et une bille de soudure pour le montage flip-chip.
Il illustre également les sections FEOL (front-end of line), BEOL (back-end of line) et les premières étapes du processus de fabrication.

Les circuits intégrés couramment utilisés en électronique de base possèdent généralement 8, 14 ou 16 broches, tandis que les microprocesseurs avancés en possèdent des centaines !
Puisqu'un circuit intégré (IC) ne possède pas de source d'alimentation, au moins deux broches sont utilisées pour connecter une batterie ou une autre source d'alimentation au circuit interne.
En quelque sorte, le IC représente un étage d'un circuit à plusieurs étages :
en connectant les broches de composants discrets aux broches du IC, on connecte
les étages d'un circuit plus complexe.
Chaque IC possède un numéro de
modèle (entre autres informations) gravé sur son boîtier.
Ce numéro de modèle indique la fonction du IC (enfin, pas explicitement ; il vous faudra peut-être le rechercher pour la connaître.
Des milliers de IC différents sont disponibles aujourd'hui, et chacun possède une fiche technique (datasheet) qui décrit précisément son fonctionnement, sa consommation électrique et l'utilité de chaque broche.
Pour les projets de
Mes seconds pas en Électronique, vous
n'aurez pas besoin de la fiche technique, car je vous explique précisément
comment utiliser chaque IC dans votre circuit.
Attention au brochage !
Ne faites jamais de connexions aléatoires aux broches d'un IC en pensant
pouvoir simplement « explorer » différentes manières de le faire fonctionner.
On ne peut même pas compter sur l'identité des connexions d'alimentation pour
deux circuits intégrés différents ayant le même nombre de broches.
Chaque
modèle de circuit intégré étant différent, chaque brochage l'est également.
Le brochage indique l'affectation des broches, c'est-à-dire comment chaque broche est utilisée à l'intérieur de la puce.
Bien que l'affectation des broches diffère d'un circuit intégré à l'autre, la
méthode pour identifier la broche 1, la broche 2, etc., reste la même pour tous
les circuits intégrés courants.
Voici comment identifier les broches des
circuits intégrés courants (voir figure 8-2) :

Repérez le repère d'horloge, qui peut être
une petite encoche, une petite dépression ou une bande blanche ou colorée sur le
boîtier (on ne va pas se compliquer la vie !).
Posez le circuit intégré de manière à ce qu'il semble tenir debout sur ses
broches, et orientez-le de sorte que le repère d'horloge soit au nord (12 h) ou
au nord-ouest (11 h) de la puce.
La broche en haut à gauche (la plus
proche du repère d'horloge) est la broche 1.
Les broches sont numérotées
dans le sens antihoraire (c'est-à-dire dans le sens inverse de la rotation des
aiguilles d'une horloge).
La dernière broche (broche 8, 14, 16, etc.) est
la broche en haut à droite.
Découvrez le timer 555 Voir aussi la
section 555
Le
555 (illustrée sur la figure 8-3, avec les étiquettes des broches ajoutées) est
une véritable machine à chronométrer dans un format minuscule.

Cette puce à 8 broches peut réaliser plusieurs fonctions de temporisation, selon son branchement dans un circuit.
Le fonctionnement du circuit intégré 555 est assez technique et je ne l'expliquerai pas en détail (j'espère que vous ne serez pas trop déçu).
Voici l'essentiel à savoir sur le circuit intégré 555 pour les projets présentés
dans ce livre :
Les broches 1 et 8 servent à l'alimentation.
Connectez la borne positive d'une pile à la broche 8 et la borne négative à la
broche 1.
Les broches 2, 4, 5, 6 et 7 permettent de contrôler le
fonctionnement interne du circuit intégré.
Vous connectez des composants électroniques (généralement des résistances ou des
condensateurs) ou des niveaux d'alimentation (côté positif ou négatif d'une
batterie) à ces broches selon une configuration précise afin de faire
fonctionner le circuit intégré 555 d'une manière particulière.
La
broche 3 est la broche de sortie.
Selon son fonctionnement interne,
la broche de sortie est soit activée, soit désactivée.
Concrètement, elle est soit à la tension de la batterie (état activé), soit à zéro (état désactivé).
En électronique, l'état activé est appelé « haut (1)» et l'état désactivé
« bas (0)».
Le but est de connecter à la broche de sortie un composant
que vous souhaitez contrôler avec la puce, comme une LED (avec une résistance de
protection).
Lorsque la broche de sortie est à l'état haut, la LED est allumée.
Lorsqu'elle est à l'état bas, la LED est éteinte.
Dans ce projet, vous
devez utiliser la minuterie 555 pour faire clignoter une LED, puis faire varier
la fréquence de clignotement.
Les étapes de la section « Construction du circuit LED clignotant » vous guident
pas à pas pour connecter votre pile aux broches 1 et 8, votre LED (avec une
résistance de protection) à la broche 3, et quelques résistances et
condensateurs aux autres broches.
La disposition et les valeurs des
résistances et des condensateurs déterminent précisément quand et pendant
combien de temps la broche de sortie passe à l'état haut ou bas.
En modifiant une seule résistance, vous modifiez la fréquence de clignotement de
la LED.

Composants et outils nécessaires


Rassemblez tous les
éléments de cette liste (voir figure 8-4) :
Plaque d’essai sans soudure (Breadboard),
préparée avec :
• Pile 9 volts avec clip de
fixation
• Interrupteur et fil de connexion
• Connexions du fil de connexion à l’alimentation + condensateurs de découplage de 0.1 µF
Un circuit intégré 555
Un condensateur à film de
0,01 µF (non polarisé)
Un condensateur
électrolytique de 4,7 µF (polarisé)
Résistances pour le circuit
principal :
• Une résistance de 330 Ω
• Une résistance de 47 kΩ
• Une résistance de 100 kΩ
Résistances pour la
modification du circuit :
• Une résistance de 1 kΩ
• Une résistance de 470 kΩ
• Une résistance de 1 MΩ
Une LED (taille et
couleur au choix ; j'ai utilisé une LED verte diffuse de 5 mm)
Trois fils de connexion de 8
mm (minimum)
Deux fils de connexion de 10 mm (minimum)
Un fil de connexion de 25 mm (minimum)
Optionnel :
Un potentiomètre de 500
kΩ ou 1 MΩ (de préférence à variation linéaire), ainsi que deux fils de 75 mm
(calibre 22) et une résistance de 100 Ω
Le potentiomètre (optionnel)
« Pot » est l'abréviation de
« potentiomètre ». (Ce surnom permet de gagner du temps.)
Un potentiomètre est une
résistance variable.
L'utilisation d'un
potentiomètre dans ce projet est optionnelle, mais recommandée.
Le potentiomètre permet de faire varier la fréquence de clignotement de la LED sans modifier aucun composant du circuit.
Si vous choisissez de ne pas utiliser de potentiomètre, vous pouvez ignorer cette section.
Passez directement à la
section intitulée « Construire le circuit de la LED clignotante ».
Examen d'un potentiomètre :
Les potentiomètres existent
en différentes formes, tailles et valeurs, mais ils ont tous les points communs
suivants :
Ils possèdent trois bornes
(ou points de connexion).
Ils sont équipés d'un
bouton, d'une vis ou d'un curseur permettant de modifier la résistance entre la
borne centrale et l'une des bornes extérieures.
La résistance entre les deux
bornes extérieures est fixe (constante) et correspond à la résistance maximale
du potentiomètre.
Cette résistance reste inchangée même lorsque le bouton, la vis ou le curseur est déplacé.
La résistance entre la
borne centrale et l'une des bornes extérieures varie de 0 Ω à la résistance
maximale du potentiomètre lorsque le bouton, la vis ou le curseur est actionné.
La figure 8-5 montre l'avant
et l'arrière d'un potentiomètre, ainsi que quelques indications supplémentaires.

potentiomètre DIP (avec des broches comme les IC et qui peut se placer sur un Breadboard.

Est-ce que cela vous
semble très différent des composants électroniques que vous avez utilisés
jusqu'à présent ?
La résistance maximale
(entre les bornes 1 et 3) du potentiomètre — 10 kΩ — est gravée au dos de son
boîtier.
Si le bouton de réglage est positionné au milieu de sa course, la résistance entre les bornes 1 et 2 sera de 5 kΩ et la résistance entre les bornes 2 et 3 sera également de 5 kΩ.
Lorsque vous tournez le bouton, les deux résistances variables — c'est-à-dire la résistance entre les bornes 1 et 2 et la résistance entre les bornes 2 et 3 — changent, mais leur somme correspond toujours à la résistance maximale du potentiomètre.
Par exemple, supposons que vous tourniez le bouton de sorte que la résistance entre les bornes 1 et 2 soit de 2 kΩ.
Dans ce cas, la résistance entre les bornes 2 et 3 est de 8 kΩ.
Lorsque vous faites
varier la résistance entre les bornes 1 et 2 de 0 Ω à 10 kΩ, la résistance entre
les bornes 2 et 3 varie en sens inverse, c'est-à-dire de 10 kΩ à 0 Ω.
Pour ce projet, il vous
suffit de connaître la valeur maximale du potentiomètre et de savoir que vous
insérez une résistance variable dans votre circuit en connectant la borne
centrale à l'une des bornes d'extrémité.
La valeur de la résistance variable varie de 0 Ω à la résistance maximale du potentiomètre lorsque vous tournez le bouton.
Préparation du
potentiomètre (Si
vous avez un potentiomètre DIP sauter cette étape)
Pour utiliser votre
potentiomètre avec votre plaque d'essai sans soudure, vous devez connecter des
fils à la borne centrale et à l'une des bornes extérieures (n'importe laquelle
fera l'affaire).
Utilisez les deux fils de
7,5 cm (3 pouces) de votre liste de composants pour réaliser ces fils.
Le soudage est la meilleure
méthode pour connecter des fils à un potentiomètre.
Le soudage consiste à chauffer une jonction (ici, l'extrémité dénudée d'un fil et la borne métallique du potentiomètre) et à appliquer un métal spécial (la soudure) contre la jonction jusqu'à ce que la soudure fonde.
En refroidissant, la soudure se solidifie, assurant ainsi une liaison conductrice.
Voir la section Sondons
! de
Mes
premiers pas en Électronique
Si vous avez l'habitude de
souder ou si vous connaissez quelqu'un qui s'y connaît, vous (ou votre ami
bricoleur) pouvez souder les fils sur les bornes du potentiomètre.
Cependant, pour ce projet, vous pouvez vous en passer en suivant ces étapes pour connecter les fils à votre potentiomètre :
1. Dénudez environ 1 cm (3/8 de pouce) d'isolant à chaque extrémité d'un fil, comme indiqué sur la figure 8-6.

2. À l'aide d'une pince à
bec fin, formez une boucle à une extrémité du fil, comme illustré sur la
figure 8-7.
3. Accrochez la boucle à l'extrémité de la borne centrale du potentiomètre, comme illustré sur la figure 8-8.

4. À l’aide de votre pince à bec fin, comprimez la boucle et torsadez-la légèrement jusqu’à ce qu’elle soit bien ajustée contre la borne, comme illustré à la figure 8-9.

Si la boucle est un peu
lâche, ce n’est pas grave.
Mais si elle est très lâche, comprimez-la davantage.
5. Répétez les étapes
1 à 4 pour l'autre fil, en le connectant à l'une des bornes extérieures.
La figure 8-10 montre
l'aspect que devrait avoir votre potentiomètre une fois les fils connectés.
Si vous connectez les fils de cette manière (sans soudure), vérifiez régulièrement qu'ils sont bien en place contre les bornes du potentiomètre et resserrez-les avec une pince à bec fin s'ils se desserrent.

Les fils des potentiomètres non soudés ont tendance à se casser facilement.
Manipulez donc votre potentiomètre avec précaution et vérifiez régulièrement l'état des fils.
Si un fil se casse, vous
devrez le dénuder et le reconnecter, ou investir un peu de temps (et d'argent)
dans la soudure (de préférence avec l'aide d'un adulte).
Construisez le circuit de
la LED clignotante
Dans ce projet, vous utilisez une puce 555 pour faire clignoter une LED.
Vous contrôlez la durée du clignotement de la LED à l'aide de deux résistances et d'un condensateur.
En remplaçant l'une des deux résistances par une autre de valeur différente, vous modifiez la durée du clignotement.
Si vous utilisez un
potentiomètre à la place de cette résistance, vous pouvez modifier la fréquence
de clignotement en tournant simplement son bouton, ce qui fait varier la
résistance.
Lors du montage, commencez
par insérer le circuit intégré au centre de la plaque d'essai.
Ensuite, poursuivez le montage autour du IC, en insérant les composants connectés à la broche 1, puis à la broche 2, et ainsi de suite, jusqu'à terminer le circuit.
Ce montage n'est pas
obligatoire, mais fortement recommandé pour éviter d'oublier un composant.
Suivez ces étapes pour
réaliser votre circuit de LED clignotante :
1. Vérifiez votre plaque
breadboard (voir figure 8-11).

a. Assurez-vous que les deux
rails d'alimentation positifs et les deux rails d'alimentation négatifs sont
bien connectés.
b. Vérifiez que
l'interrupteur d'alimentation et les connexions des fils de connexion sont
correctement installés et que l'interrupteur est en position arrêt.
c. Vérifiez que les fils du
clip de batterie sont bien insérés dans les trous de contact correspondants de
votre Breadboard.
2. Insérez la puce 555
dans la plaque d'essai.
Les huit broches de cette
puce sont assez robustes, mais il faut tout de même faire attention à ne pas les
plier lors de l'insertion dans les trous de contact de la plaque d'essai.
La meilleure façon
d'insérer un circuit intégré dans une plaque d'essai est de le placer sur les
trous de contact, d'orienter délicatement ses broches vers les ouvertures, puis
d'appuyer doucement sur le dessus de la puce pour faciliter l'insertion des
broches.
a. Orientez le circuit
intégré 555 de façon à ce que le repère (marque d'horloge) soit dans le coin
supérieur gauche, comme illustré sur la figure 8-12. (J'ai ajouté des étiquettes
aux broches d'angle sur la figure.)

b. Placez la puce sur les trous 21–24e (côté gauche de la puce) et 21–24f (côté droit de la puce), de manière à aligner les broches d'angle comme ceci :
broche 1 dans le trou 21e, broche 4 dans le trou 24e, broche 5 dans le trou 24f et broche 8 dans le trou 21f.
c. Appuyez lentement sur le corps de la puce, en appliquant une pression uniforme sur toute sa surface, afin d'insérer les broches dans les trous de contact.
Pendant que vous appuyez, vérifiez que toutes les broches sont bien insérées dans les trous.
Si une broche ne s'insère pas, arrêtez d'appuyer, guidez-la délicatement dans son trou, puis appuyez à nouveau sur la puce jusqu'à ce que les broches soient bien en place. (Voir figure 8-13.)

La face inférieure de la puce doit reposer à plat sur la plaque d'essai et la puce doit être horizontale (voir figure 8-14, à gauche) — ni inclinée à droite ni à gauche.

Si un côté de la puce est incliné vers le haut (voir figure 8-14, à droite), il est probable que les broches de ce côté ne soient pas correctement insérées dans la plaque d'essai.
3. Insérez un fil de
connexion d'au moins 8 mm (5/16 pouce) dans le breadboard.
Branchez une extrémité du fil
dans le trou 21a (Broche 1)
et l'autre extrémité sur le rail d'alimentation négatif situé à gauche de la
rangée 21. (Voir le fil de connexion orange sur la figure 8-15.)

4. Insérez la résistance
de 47 kΩ dans la plaque d'essai.
Pour un circuit plus propre,
pliez et coupez les pattes de la résistance de façon à ce qu'elles mesurent
environ 6 mm (1/4 de pouce) sous le pli.
Branchez une patte dans le trou 18c et l'autre dans le trou 22c (Broche 2), comme illustré sur la figure 8-16.

5. Insérez un fil de
connexion d'au moins 8 mm (5/16 pouce) dans le breadboard.
Branchez une extrémité du fil
dans le trou 18e et l'autre
extrémité dans le trou 18f.
Voir le fil de connexion orange au-dessus de la puce sur la figure 8-17.

6. Insérez un fil de
connexion d'au moins 10 mm (3/8 pouce) dans le breadboard.
Branchez une extrémité du fil dans le trou 18g et l'autre extrémité dans le trou 22g (Broche 7).
Voir le fil de connexion jaune sur la figure 8-18.

7. Insérez le
condensateur électrolytique de 4,7 μF dans le Breadboard, comme illustré sur la
figure 8-19.

Si vous le souhaitez,
coupez les pattes du condensateur de manière à ce qu'elles mesurent environ 1,25
cm (1/2 pouce) sous le corps du condensateur.
Branchez la borne négative
(identifiée par un signe moins ou une bande noire) sur la borne d'alimentation
négative située à gauche (j'ai utilisé le trou adjacent à la rangée 23).
Branchez la borne positive
(non étiquetée) sur le trou 22a (Broche 2).
8. Insérez le fil de
connexion d'au moins 2,5 cm (1 pouce) dans la plaque d'essai.
Ce fil relie les broches 2
et 6 du circuit intégré 555.
Branchez une extrémité du fil
de connexion sur le trou 22d (Broche 2)
et l'autre extrémité sur le trou 23g (Broche 6).
Vous pouvez laisser le fil de connexion à cheval sur le circuit intégré ou le plier vers le bas. (Voir figure 8-20.)

9. Insérez la
résistance de 330 Ω dans le breadboard, comme illustré sur la figure 8-21.

Si vous le souhaitez, pliez et coupez les pattes de la résistance de façon à ce que chaque patte mesure environ 6 mm (1/4 de pouce) sous le pli.
Branchez une patte dans le trou 23b (Broche 3, OUT) et l'autre dans le trou 27b.
10. Insérez la LED dans le breadboard.
Si vous le souhaitez, coupez
les pattes de la LED pour qu'elles mesurent au moins 1,25 cm (1/2 pouce) de
long.
(Voir figure 8-22.)

Branchez la cathode (côté négatif, bord plat, la plus grande pièce métallique à l'intérieur du boîtier) sur le rail d'alimentation négatif à gauche de la rangée 27, et l'anode (côté positif) dans l'orifice 27a. (Voir figure 8-23.)

11. Insérez un fil de
connexion de 9,5 mm (3/8 pouce) minimum dans la plaque d'essai.
Branchez une extrémité du fil dans le trou 24a
(Broche 4)
et l'autre extrémité sur le rail d'alimentation positif situé à gauche de la
rangée 24. (Voir le fil de connexion jaune sur la figure 8-24.)

12. Insérez le condensateur de 0,01 μF dans la plaque d'essai, comme
indiqué sur la figure 8-25.

Ce condensateur à film est non polarisé ; son orientation dans le circuit n'a
donc pas d'importance.
Branchez une de ses pattes dans le trou 24j (Broche 5) et l'autre patte sur le rail d'alimentation négatif situé à droite de la rangée 24.
13. Insérez la résistance de
100 kΩ dans le breadboard
Si vous le souhaitez, pliez et coupez les
pattes de la résistance de manière à ce que chaque patte mesure environ 6 mm
(1/4 de pouce) sous le pli.
Branchez une patte dans le trou 22j (Broche 7) et l'autre sur le rail d'alimentation positif situé à droite de la rangée 22, comme illustré sur la figure 8-26.

14. Insérez un fil de connexion d'au moins 8 mm (5/16 de pouce) dans le
breadboard.
Branchez une extrémité du fil de connexion dans le trou
21j (Broche 8)
et l'autre extrémité sur le rail d'alimentation positif situé à
droite de la rangée 21 (voir le fil de connexion orange à droite de la puce sur
la figure 8-27).

La figure 8-28 montre le circuit complet (à l'exception de la pile, de l'interrupteur et des connexions d'alimentation situés sous la plaque d'essai).

Vérifiez attentivement toutes vos connexions ainsi que l'orientation de la
LED et du condensateur électrolytique de 4,7 µF.
Une fois le circuit vérifié,
vous pourrez faire clignoter la LED.
Faire fonctionner le circuit de
la LED clignotante
Mettez le circuit sous tension.
Observez la LED.
Clignote-t-elle et s'éteint-elle régulièrement ?
Elle devrait.
Si la LED ne clignote pas, vérifiez à nouveau vos connexions et l'orientation de la LED et du condensateur électrolytique.
Si le problème persiste,
essayez une autre LED ou une pile neuve.
Essayez d'estimer la durée
d'allumage de la LED.
Elle devrait être d'environ une demi-seconde.
La LED devrait s'éteindre une
fraction de seconde avant de se rallumer.
Modifier la durée
Vous pouvez modifier la durée d'allumage de la LED en remplaçant la
résistance de 100 kΩ (rangée 22) par une autre résistance.
Pour une durée d'allumage plus longue, utilisez une résistance plus élevée.
Pour une durée d'allumage plus
courte, utilisez une résistance plus faible.
Mettez le circuit à OFF.
Retirez ensuite la résistance de 100 kΩ (rangée 22) et remplacez-la par la résistance de 470 kΩ .
Remettez le circuit sous tension et observez le clignotement de la LED.
La LED reste-t-elle allumée plus longtemps qu'avec la résistance de 100 kΩ ?
Elle devrait rester allumée un peu plus de 1,5 seconde.
Ensuite, coupez l'alimentation et remplacez la résistance de 470 kΩ par celle de 1 MΩ.
Remettez l'alimentation sous tension et observez le clignotement de la LED.
La LED reste-t-elle allumée plus longtemps qu'avec la résistance de 470 kΩ ?
Elle devrait rester allumée
pendant environ 3,5 secondes.
Enfin, coupez l'alimentation et remplacez
la résistance de 1 MΩ par celle de 1 kΩ.
Remettez l'alimentation sous tension et observez la LED.
Clignote-t-elle plus rapidement qu'auparavant ?
Elle devrait s'allumer une
fraction de seconde.
Utilisation d'un potentiomètre (facultatif)
Remplacer les résistances est simple, mais il existe une méthode plus
simple pour modifier la résistance et donc la durée du clignotement de la LED :
utiliser un potentiomètre.
Pour utiliser un potentiomètre,
procédez comme suit :
1. Coupez l’alimentation.
2. Retirez la
résistance (quelle que soit sa valeur) de la rangée 22.
3. Insérez la
résistance de 100 Ω dans le breadboard, comme illustré sur la figure 8-29.

Connectez une patte de la résistance dans le trou 19i et l’autre dans
le trou 22i.
4. Branchez les fils du
potentiomètre non DIP sur la plaque d'essai (si vous n'utilisez pas un
potentiomètre DIP).
Insérez un fil dans le trou 19j et
l'autre dans le rail d'alimentation positif situé à droite (j'ai utilisé le trou
à droite de la rangée 19), comme illustré sur la figure 8-30.

Branchez les fils du potentiomètre DIP sur le beadboard.

5. Mettez l'appareil sous
tension.
6. Tournez lentement le bouton du potentiomètre tout en
observant la LED, comme illustré sur la figure 8-31.

La fréquence de clignotement de la LED change-t-elle ?
La fréquence de clignotement devrait changer sensiblement lorsque vous tournez le bouton du potentiomètre sur toute sa course.
Vous pouvez aussi changer la fréquence de clignotement, en changent le condensateur de 4.7 µF (4u7).
Un condensateur d'une valeur plus petite fera clignoter la LED plus rapidement.
Un condensateur d'une valeur plus grande fera clignoter la LED plus lentement.
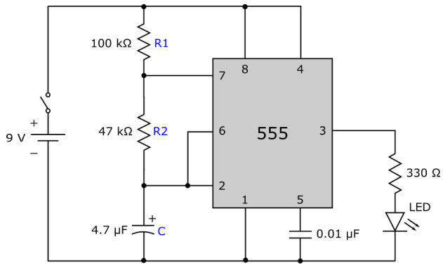
Consultez le schéma
La figure ci-dessous présente le schéma de votre circuit.
Le circuit intégré 555 est représenté par un rectangle dont le pourtour est marqué des numéros de broches.


Sur les schémas, tous les circuits intégrés (IC) se ressemblent, et il est impossible de déterminer leur fonction dans un circuit en se basant uniquement sur un schéma.
Il faut généralement consulter la fiche technique (Datasheete) du IC pour comprendre son fonctionnement.
Dans
Mes seconds pas en Électronique, je vous
explique le fonctionnement de chaque IC dans vos circuits, vous évitant ainsi de
consulter les fiches techniques (mais vous pouvez le faire si vous le souhaitez
!).
La disposition particulière des résistances et des condensateurs
autour de la minuterie 555 illustrée sur la figure ci-haut permet à la puce de
générer une tension alternative sur la broche 3.
Ce type de circuit est appelé
oscillateur, car la tension de sortie oscille entre deux niveaux de tension de
manière répétée.
L'avantage de ce circuit à base de minuterie 555 est que
l'on peut calculer la durée de chaque oscillation de tension sur la broche 3 en
utilisant uniquement les valeurs de deux résistances et d'un condensateur.
Sur la figure, ces valeurs sont désignées par R1, R2 et C.
R1 est la résistance de 100 kΩ,
R2 celle de 47 kΩ et C le condensateur de 4,7 μF.
Si vous êtes à l’aise
avec les calculs et que vous souhaitez déterminer la durée pendant laquelle la
broche 3 est à l’état haut (correspondant à la durée d’allumage de la LED),
effectuez le calcul suivant :
0.693 x (R1 + R2) x C
Cette formule vous indique
d'additionner les valeurs des deux résistances (R1 et R2), de multiplier cette
somme par la valeur de la capacité, puis de multiplier le résultat par 0,693.
Avant d'insérer les valeurs de R1, R2 et C dans la formule, n'oubliez pas de
convertir les kΩ en Ω et les μF en F.
R1 vaut 100 kΩ (ou 100 000 Ω),
R2 vaut 47 kΩ (ou 47 000 Ω) et C vaut 4,7 μF (ou 0,0000047 F).
Vous
utilisez ces valeurs converties pour calculer la durée d'allumage de la LED,
comme suit :
0,693 × (100 000 × 47 000) × 0,0000047 = 0,48 seconde.
Pour déterminer la durée
pendant laquelle la broche 3 est à l'état bas (correspondant à la durée pendant
laquelle la LED est éteinte), effectuez le calcul suivant :
0,693 x R2 x
C
Avec les valeurs 47 000 pour R2 et 0,0000047 pour C, vous obtenez :
0,693 x 47 000 x 0,0000047 = 0,15 seconde
Lorsque vous modifiez votre
circuit, vous remplacez la résistance de 100 kΩ (R1) par une autre valeur.
Vous pouvez calculer la durée d'allumage de la LED dans votre circuit modifié en substituant la nouvelle valeur de R1 dans la première formule.
Par exemple, lorsque R1 vaut 1 MΩ, la nouvelle durée d'allumage de la LED est de
0,693 x (1 000 000 + 47 000) x 0,0000047 = 3,4 secondes.
Notez que, puisque la formule
de calcul de la durée d'état bas de la broche 3 (ou d'extinction de la LED) est
indépendante de R1, cette durée reste inchangée (environ 0,15 seconde).
À
vous de jouer !
Déterminez la durée d'allumage de la LED avec une résistance de 1 kΩ pour R1 dans votre circuit.
Ensuite, utilisez cette
résistance de 1 kΩ et vérifiez si votre estimation de la durée d'allumage de la
LED est correcte.
Pour un défi plus relevé, estimez la durée d'allumage
et d'extinction de la LED avec une résistance de 1 MΩ pour R2.
Insérez ensuite cette résistance de 1 MΩ à la place de la résistance de 47 kΩ (emplacements 18c et 22c) et vérifiez si vos calculs sont exacts.